24/7 Customer Service

Hello, Guest ▼

24/7 Customer Service

Hello, Guest ▼

User Manual

Key Features

Key components

BOARD POWERING

TheMINI-SP6-FPGAboard can work on USB power; you can also connect external 5VDC supply. When JP2 jumper is placed towards USB as shown in below imagepower is used from USB connector & when JP2 jumper is placed towards EXT power is used from J4 connector(J4 is optional) 

Basic I/O

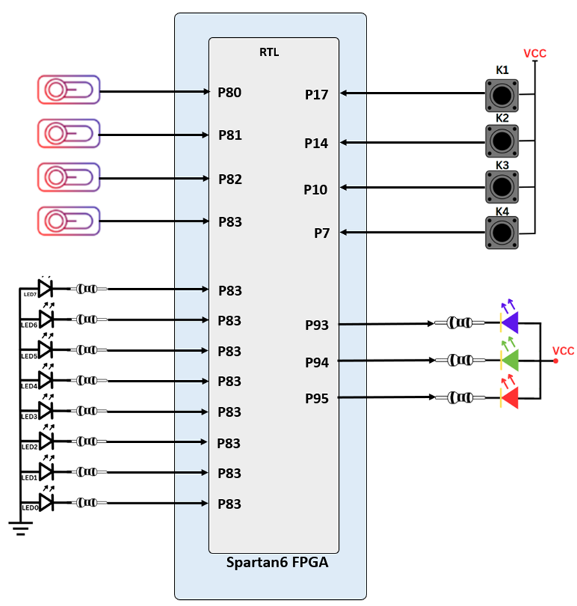
The Spartan6-Mini board includes 4dip switches, four push buttons, eight individual LEDs, and a RGB LED, as shown in the below diagram. The pushbuttons and slide switches are connected to the FPGA via series resistors to prevent damage from inadvertent short circuits (a short circuit could occur if an FPGA pin assigned to a pushbutton or slide switch was inadvertently defined as an output). The four pushbuttons are “momentary” switches that normally generate a high output when they are at rest, and a High output only when they are pressed. Slide switches generate constant high or low inputs depending on their position. 

USB-UART Bridge (Serial Port)

http://www.ftdichip.com/Support/Documents/DataSheets/ICs/DS_FT2232H.pdf USB-UART bridge (attached to connector J6) that allows you to use PC applications to communicate with the board using standard Windows COM port commands. Free USB-COM port drivers, available from www.ftdichip.com under the “Virtual Com Port” or VCP heading, convert USB packets to UART/serial port data. Serial port data is exchanged with the FPGA using a two-wire serial port (TXD/RXD). After the drivers are installed, I/O commands can be used from the PC directed to the COM port to produce serial data traffic on FPGA pins.

The FT2232HL is also used as the controller for the USB-JTAG circuitry, but the USB-UART and USB-JTAG functions behave entirely independent of one another. Programmers interested in using the UART functionality of the FT2232 within their design do not need to worry about the JTAG circuitry interfering with the UART data transfers, and vice-versa. The combination of these two features into a single device allows the Spartan6-Mini to be programmed, communicated with via UART, and powered from a computer attached with a single Micro USB cable. The connections between the FT2232L and the Spartan6 are shown in the below figure. 

Clock Sources

The Spartan6-Mini includes a single 100MHz oscillator connected to pin P84 can drive MMCMs or PLLs to generate clocks of various frequencies and with known phase relationships that may be needed throughout a design. Some rules restrict which MMCMs and PLLs may be driven by the 100MHz input clock. For a full description of these rules and of the capabilities of the Spartan6 clocking resources

Xilinx offers the Clocking Wizard IP core to help users generate the different clocks required for a specific design. This wizard properly instantiates the needed MMCMs and PLLs based on the desired frequencies and phase relationships specified by the user. The wizard will then output an easy to use wrapper component around these clocking resources that can be inserted into the user’s design.

FREE INPUT OUTPUT

The MINI-SP6-FPGA-V1 board has total 71 user I/O placedtwo input output connectors. J1 connector has 35 input output pins. J2 connector has 36 input output pins. 

All pin can work with maximum 3.3V DC

Name Signal Name XCS6LX9-TQG144
J1J1_1GND
J1J1_3P22
J1J1_5P24
J1J1_7P27
J1J1_9P30
J1J1_11P33
J1J1_13P35
J1J1_15P41
J1J1_17P44
J1J1_19P46
J1J1_21P48
J1J1_23P51
J1J1_25P56
J1J1_27P58
J1J1_29P61
J1J1_31P66
J1J1_33P67
J1J1_35P75
J1J1_37P79
J1J1_39+3.3V
Name Signal Name XCS6LX9-TQG144
J1J1_2GND
J1J1_4P21
J1J1_6P23
J1J1_8P26
J1J1_10P29
J1J1_12P32
J1J1_14P34
J1J1_16P40
J1J1_18P43
J1J1_20P45
J1J1_22P47
J1J1_24P50
J1J1_26P55
J1J1_28P57
J1J1_30P59
J1J1_32P62
J1J1_34NC
J1J1_36P74
J1J1_38P78
J1J1_40+3.3V
NameSignal NameXCS6LX9-TQG144
J2J2_1GND
J2J2_3P1
J2J2_5P143
J2J2_7P141
J2J2_9P139
J2J2_11P137
J2J2_13P13
J2J2_15P131
J2J2_17P126
J2J2_19P123
J2J2_21P120
J2J2_23P118
J2J2_25P116
J2J2_27P114
J2J2_29P111
J2J2_31P104
J2J2_33P101
J2J2_35P99
J2J2_37P97
J2J2_39+3.3V
NameSignal NameXCS6LX9-TQG144
J2J2_2GND
J2J2_4P2
J2J2_6P144
J2J2_8P142
J2J2_10P140
J2J2_12P138
J2J2_14P134
J2J2_16P132
J2J2_18P127
J2J2_20P124
J2J2_22P121
J2J2_24P119
J2J2_26P117
J2J2_28P115
J2J2_30P112
J2J2_32P105
J2J2_34P102
J2J2_36P100
J2J2_38P97
J2J2_40+3.3V
Supportscreen tag